-
1) What is a 7.2V lithium battery?
-
2) 7.4V Lithium Battery Pack
-
3) 7.2V Lithium Ion RC Battery
-
4) Are the 7.4V, 7.2V, 8.4V lithium batteries the same?
-
5) 7.2 V Lithium Ion Battery Charger
7.2V Rechargeable Lithium Ion Battery Pack Manufacturer
Mar 23, 2021 Pageview:5623
1) What is a 7.2V lithium battery?
Since the cell voltage of a single lithium battery is no more than 3.7V, high voltage batteries are usually composed of several cells in series to form a high voltage battery pack. 7.2V lithium battery is composed of two 3.6V lithium batteries connected in series. Generally, 2S is marked on the battery, indicating the voltage of 7.2V (3.6V ×2 = 7.2V) that is generated by two 3.6V lithium batteries connected in series.
7.2V lithium batteries are widely used in electric toys, model airplanes, remote-controlled vehicles and ships, robots, and other industrial equipment, such as LED outdoor lighting, mobile communications, portable power tools, security access control system backup power supply, etc.
We have a team of experienced engineers to provide customers with comprehensive technical support and outstanding customer service. We can provide customized lithium battery solutions according to customer requirements, such as special equipment, medical equipment, exploration and mapping, handheld devices, instrumentation, remote control models and other industrial applications.
Develop battery pack according to customer requirements.
Design customized battery pack according to customer requirements.
Provide customers with portable power solutions.
Assemble and package according to customer requirements.
2) 7.4V Lithium Battery Pack
The 7.4V lithium battery is composed of two 3.7V lithium batteries in series. 7.4V refers to the nominal voltage of a lithium battery. When a single lithium battery is fully charged, the voltage can reach 4.2V. In normal operation, the lower limit of voltage can reach about 3V, that is, the voltage of 7.4V lithium battery varies from 6V to 8.4V during the whole working process.
-40℃ Low Temperature Lithium Battery 18650 7.4V 10Ah
Product number: 01DQ0112-02
Cell model: 18650-2500mAh-3.7V
Battery specification: 18650-2S4P-10Ah-7.4V
Nominal voltage: 7.4V
Nominal capacity: 10Ah
Charging voltage: 8.4V
Charging current: ≤10A
Discharging current: 7A
Instant discharging current: 9A
End-off voltage: 5.0V
Internal resistance: ≤100mΩ
Battery weight: 500g
Product dimension: 85*82*42mm
Charging temperature: 0~45℃
Discharging temperature: -40~60℃
Storage temperature: -20~35℃
Lithium battery protection: Short circuit protection, over charge protection, over discharge protection, over temperature protection, over current protection, ESD protection, etc.
3) 7.2V Lithium Ion RC Battery
Nowadays, lithium batteries are quite popular in the application of airplane models. There are many types of lithium batteries, including commonly used lithium polymer batteries (Li-Po), lithium ion batteries (Li-Ion), lithium iron phosphate batteries (Li-Fe) and so on. In the model, lithium polymer batteries (Li-Po) are commonly used for electrical power and high voltage receiving power, while lithium iron phosphate batteries (Li-Fe) are used for CDI igniter, receiving power, remote control power, etc.
RC remote control refers to remote control. It used to mean remote control, remote control device, and now refers to remote control model, such as remote control airship, remote control four-wheel drive, remote control aircraft, etc.
Lithium polymer batteries have the characteristics of low memory effect, low self-discharge, light weight, high capacity and high voltage, which are very suitable forspecial models and electric models requiring lightweight, thus solving the problem of excessive battery weight and insufficient discharge capacity for many years. Our vehicle model batteries, aircraft model batteries, etc. have large capacity and high discharge rate, and are at an advantage in conventional turbine and nitro power. As the increasing popularity of electric flight, our RC batteries are preferred because of their superior performance and reasonable price.
18650 7.2V 2500mAh High Rate Lithium Battery Pack
Cell model: INR18650-25R/3.6V/2500mAh
Battery specification: 18650/2S1P/7.2V/2500mAh
Nominal voltage: 7.2V
Nominal capacity: 2500mAh
Charging voltage: 8.4V
Charging current: ≤1A
Discharging current: 15A
Instant discharging current: 20A,3~4S
End-off voltage: 5V
Internal resistance: ≤200mΩ
Charging temperature: 0~45℃
Discharging temperature: -20~60℃
4) Are the 7.4V, 7.2V, 8.4V lithium batteries the same?
7.4V is a connection of two lithium polymer batteries/or two lithium ion batteries in series. Since the average discharging voltage of a single battery is 3.7V, two batteries in series are 7.4V.
7.2V is composed of two 3.6V batteries in series, which are usually lithium ion batteries (steel or aluminum shell).
The 8.4V lithium battery (lithium cobalt oxide/lithium manganate/or ternary anode) consists of two 4.2V lithium batteries. Both have 4.2V upper charge voltage, and their average discharge voltage is 3.7V or 3.6V, so these three definitions are similar.
Can the 7.4V lithium battery pack be charged with a 7.2V lithium battery charger?
In fact, the charging voltage of charger needs to be higher than the maximum voltage of the battery pack. Therefore, a 7.2V lithium battery charger cannot charge a 7.4V lithium battery pack. It is not a problem that is harmful to the battery, but the battery pack cannot be charged at all. There can be no doubt that high voltage charger charges low voltage battery. Our company is specialized in lithium battery customization. I have also consulted the company's technical staff about this problem. I hope it helps.
5) 7.2 V lithium ion battery Charger
If there are special charging chips such as FLD3203 and other PWM buck charging chips, 7.2V lithium battery can be connected to a 9V adapter power supply. After setting the charging current of FLD3203, it will give the corresponding CC~CV mode according to the current voltage of the battery for accurate control.
If you use ACDC charger directly instead of charging management chip, you need to use 8.4V special lithium battery charger.
7.2V Lithium Battery Charger Specifications
Input: Multi Voltage AC power from 100V - 240V
Rating Frequency: 50/60Hz
Max Input Power: 16W
Output: DC8.4v 1.2A (1200mAh)
Connector Type: 4' 11" long 5.5 x 2.1 x 12mm male barrel connector
Includes one Connector Adapter: from 5.5mm x 2.1mm female Barrel plug to Clips
7.2V Lithium Battery Charger Features
Intelligent charger designed for all types of 7.2V (2 cells) Li-Ion Battery packs as well as Li-Polymer with capacity > 1500mAh
Built in IC to cut off power automatically when battery is fully charged
Red Led will show Battery while charging and Green LED shows full.
Compact size and light-weight. It is easy to carry for RC air/car .
Includes Connector to Clips for easy connecting to any battery pack wire leads.
Clips can be removed for another connector of your choice.
Dimension (LxWxH): 88mm(3.5") x 52mm(2.0") x 30mm(1.2")
Weight: 4.9Oz (139grams)
Charge time = (Ah rate of the pack x 1.5) / 1.2A charge current
CE & UL Approved
7.2V Lithium Battery Charger Mode
Constant current charging (CC) : The lithium battery charger enters constant current charging (CC) mode at the beginning of charging. In this charging state, the battery charging current is constant. In order to ensure that the battery can maintain the same current, the charging voltage will constantly change.
Constant voltage charging: When the constant current charging (CC) mode is completed, the constant voltage charging (CV) mode will start. In this charging state, the charging voltage of the battery remains unchanged, and the current will constantly change according to the charging requirements of the battery.
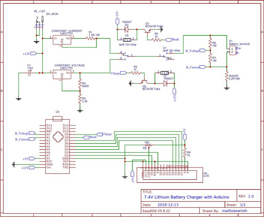
7.2V battery charger circuit diagram

As you can see the circuit is pretty simple. We have used two LM317 Variable voltage regulator ICs, one to regulate Current and the other to regulate Voltage. The first relay is used to switch between CC and CV mode and the second relay is used to connect or disconnect the battery to the charger.
Leave Message
Hottest Categories
- Hottest Industry News
- Latest Industry News












