How do you design the monitoring circuit of lithium ion battery?
Sep 21, 2019 Pageview:1568
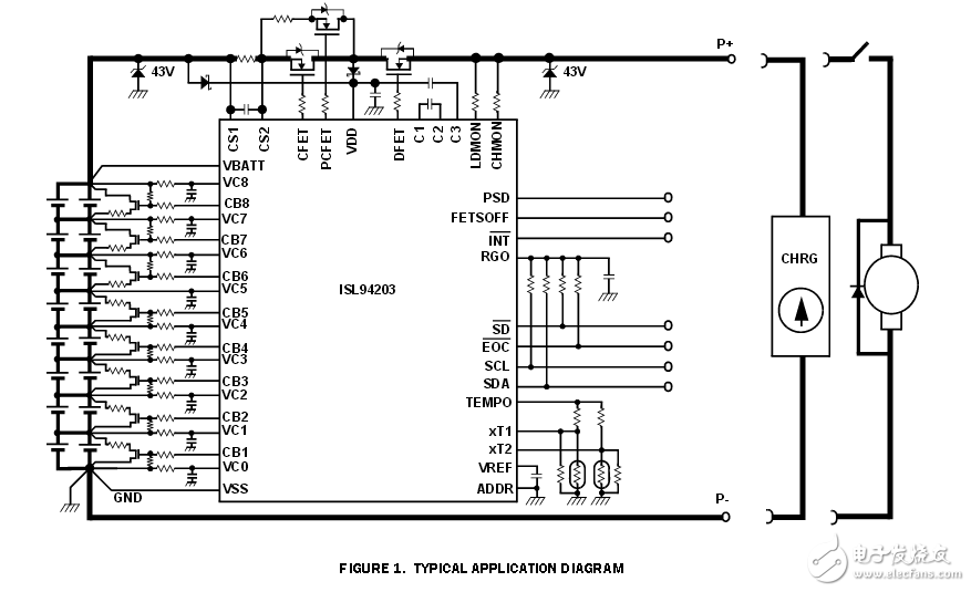
Intersil ISL94203EVAL1Z kit promote ISL94203 test lithium ion batteries monitoring and control integrated circuit.ISL94203 monitoring battery voltage, current and temperature. It will battery voltage, current and temperature 12 numeric value, provide balance control, provides a complete battery operating independently.ISL94203 can override the default operators by external microcontroller. PC graphical user interface (GUI) to support the hook independence and external monitoring and demonstration operation micro controller.
Circuit features
Monitoring support lithium-ion battery voltage independent package control - don't need a microcontroller, a variety of voltage and programmable detection/recovery, satisfy the overvoltage, undervoltage, over current and short circuit conditions, the maintenance/calibration configuration register, open the battery connection testing, integration charge/discharge field effect transistor driver circuit built-in, charge pump support high-end n-channel fet, balance the use of external field effect transistor and internal state machine or external microcontroller, into low power state after time of inactivity.Charge or discharge current resume normal scanning rates.
Functional description
This is the purpose of the integrated circuit as an independent battery monitor, so it doesn't use an external microcontroller provides monitoring and protection function.High positioning part of the power control field effect transistor built-in charging pump drive n channel fet.The current sense resistor is on the high side.Power is minimized in various fields and part of the circuit power supply most of the time, extend battery life.Stay at the same time, output of RGO in any connection microcontroller can still in most of the time.ISL94203 include input level shifter, monitoring the battery stack voltage, 14 ADC converter, voltage readings clip and results for 12, 1.8 v voltage reference (0.8%), the 5 v regulator, the volt age during sleep
Power supply path connection
The picture above shows the path of a main power supply connection charging/discharging.
Lithium ion battery monitoring circuit design
The picture above shows the connection charging/discharging path alone.
The page contains the contents of the machine translation.
- Prev Article: Do you know the correct way to use lithium battery?
- Next Article: Polymer battery PK 18650 lithium battery
Leave Message
Hottest Categories
- Hottest Industry News
- Latest Industry News











