3.7V 900mAh Battery Design Scheme of High-end Miniature Camera
Jun 25, 2019 Pageview:4215
Foreword
Different kinds of cameras enrich people’s life and improve the quality of life. But the camera needs a stable and safe power supply system, while those high-end miniature camera and aerial camera have more severe requirements. Therefore, Large Power researched on shock-resistant sport battery, which has the structure integrated into the camera and has functions of good electrical contact, nice charging & discharging performance, ultra-long cycle life, good high &low temperature performance, overcharging protection, over-discharging protection and short circuit protection.
Design requirements:
Battery design requirements:
Based on product specification and customer’s requirements, design high-end miniature camera battery pack equipped with the host machine, and integrate the functions of high security, good charging and discharging performance and outstanding cycle life into the solution.
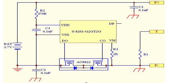
Battery design scheme of high-end miniature camera:
Guard plate (PCM): it is protective circuit of rechargeable lithium ion battery pack. Because of the chemical characteristics of lithium ion battery, it needs protective function of overcharging, over-discharging, short circuit, overcurrent, over temperature, etc.
Protection IC: it is the chip has main protective function in the design scheme. The chip monitors the cell on the functions of overcharging, over-discharging, overcurrent, short circuit, etc. at any time, which helps the battery works under safe, stable and efficient circumstance.
Thermistor (NTC): it is designed for secondary protective function. NTC thermistor has function of over temperature protection. The NTC of the product discriminated by the host machine prevents unsafe high-temperature circumstance.
Battery: 102042A/900mAh/3.7V
MOSFET: it works as the switch in protective circuit.
Capsulation of battery pack: injection molding under low temperature and low voltage
Schematic diagram of the design

Product pictures

Leave Message
Hottest Categories
- Hottest Industry News
- Latest Industry News
- Recommended For You











